Будьте всегда в курсе!
Подписка на Дайджест мебельщика и новости компании
Наш уважаемый гость
Добро пожаловать в каталог товаров компании "Мебель GROUP"
Если вы являетесь мебельщиком, просим Вас продолжить работу с каталогом наших товаров по этой ссылке
Каталог товаровЕсли Вы Мебельщик, профессионально интересующийся материалами и фурнитурой для производства мебели, предлагаем Вам продолжить работу с каталогом наших товаров в Вашем личном кабинете
(Преимущества работы через личный кабинет)|
Альтернативное название
|
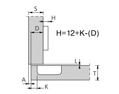
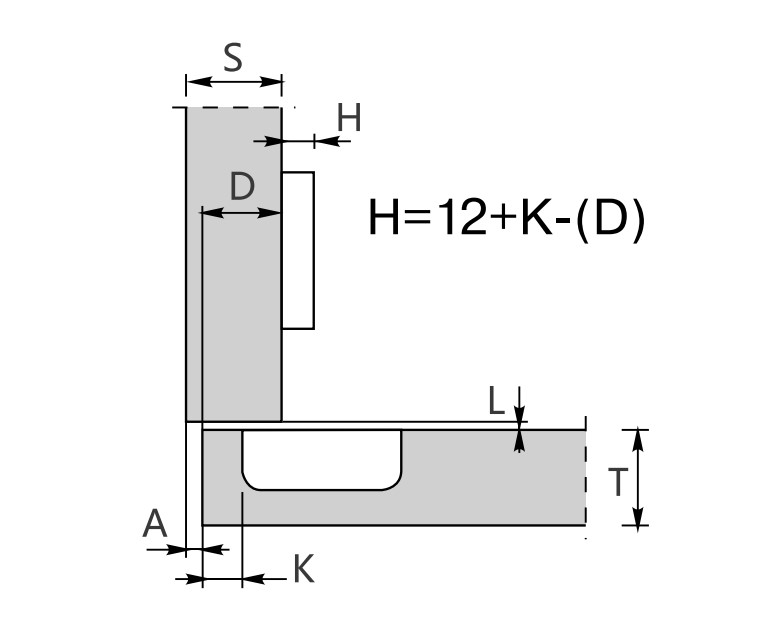
Петля, шарнир, клиптоп, модулька, навеска, пушка |